Skip to content
πŸ“’ Holiday Closure 12/22–1/5 β€” Click for Details
πŸ“’ Holiday Closure 12/22–1/5 β€” Click for Details

Dimensional Drawing of Turbo Inlet Flange - TiAL V-Band Housing for Garrett GT28/GTX28, GT30/GTX30, GT35/GTX35 - SKU 27162

Weld Side View

Weld Side View

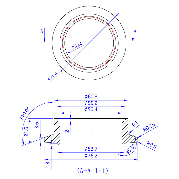
With a flange counterbore diameter of 2.173" (55.2mm) and an inside diameter of 1.984" (50.4mm), this flange is compatible with both nominal pipe size and tube size material This makes it versatile for various applications requiring different pipe or tube dimensions within its accepted range.

Mating Surface View

Mating Surface View

This flange is designed to mate with a turbine housing that has an overall flange diameter of 3.000" (76.2mm) and a female retainer diameter of at least 2.114" (53.7mm). Ensuring that the overall flange outer diameter and the female/male retainer dimensions align is crucial for proper fitment. This compatibility is essential for achieving a secure and leak-free connection.

Turbo Inlet Flange - TiAL V-Band Housing for Garrett GT28/GTX28, GT30/GTX30, GT35/GTX35 - 304 Stainless | ACE RACE PARTS

Dimensional Details

  • Flange ID: 1.984" (50.4mm)
  • Flange Counterbore ID: 2.173" (55.2mm)
  • Flange OD (Weld Side): 2.374" (60.3mm)
  • Overall Flange Height: 0.850" (21.6mm)
  • Flange Apex Width: 0.141" (3.6mm)
  • Male Retainer OD: 2.114" (53.7mm)
  • Overall Flange OD: 3.000" (76.2mm)

Our V-Band style Turbo Inlet Flanges are precision CNC machined from solid 304 stainless steel billet, ensuring high durability and a precise fit. These flanges are compatible with a variety of turbine inlets and turbine outlets, making them versatile for different applications. For your convenience, a detailed compatibility list is provided below to help you determine the exact fit for your specific turbo setup.

Turbo Inlet Flange - TiAL V-Band Housing for Garrett GT28/GTX28, GT30/GTX30, GT35/GTX35 - 304 Stainless

This particular flange is specifically designed for use with authentic TiAL Sport turbine housings. If you have a Garrett brand GT28/GTX28, GT30/GTX30, or GT35/GTX35 turbine housing instead of a TiAL brand housing, please refer to the alternative product linked here. SKU 27160.

NOTES

This flange is meant to work only with TiAL Sport brand turbine housings and may not be compatible with Garrett brand turbine housings. The provided dimensional drawing is intended to give you the necessary details to verify compatibility before making a purchase. If your turbo is not listed, we recommend taking detailed measurements of your existing turbo and comparing them with the provided dimensional drawing.

TURBO INLET COMPATIBILITY

  • TiAL Turbine Inlet for TiAL Sport brand GT28, GTX28, GT30, GTX30, GT35, and GTX35 turbine housings