Skip to content
πŸ“’ Holiday Closure 12/22–1/5 β€” Click for Details
πŸ“’ Holiday Closure 12/22–1/5 β€” Click for Details

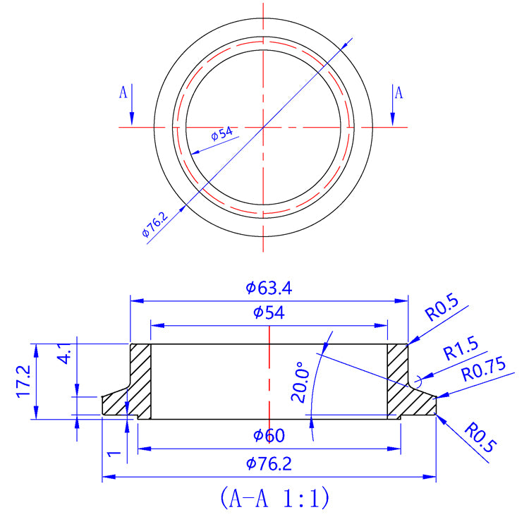
Dimensional Drawing of Turbo Inlet Flange - Garrett GT30/GTX30, GT35/GTX35, G25-550 and G25-660 - SKU 27160

Weld Side View

Weld Side View

With a flange neck outside diameter of 2.496" and an inside diameter of 2.125", this flange is compatible with tube sizes ranging from 2.125" OD up to 2.500" OD. This makes it versatile for various applications requiring different tube dimensions within this range.

Mating Surface View

Mating Surface View

This flange is designed to mate with a turbine housing that has an overall flange diameter of 3.000" (76.2mm) and a female retainer diameter of at least 2.362" (60mm). Ensuring that the overall flange outer diameter and the female/male retainer dimensions align is crucial for proper fitment. This compatibility is essential for achieving a secure and leak-free connection.

Turbo Inlet Flange - Garrett GT30/GTX30, GT35/GTX35, GT25-550 and G25-660 - 304 Stainless | ACE RACE PARTS

Dimensional Details

  • Flange ID: 2.125" (54mm)
  • Flange OD (Weld Side): 2.496" (63.4mm)
  • Overall Flange Height: 0.677" (17.2mm)
  • Flange Apex Width: 0.161" (4.1mm)
  • Male Retainer OD: 2.362" (60mm)
  • Overall Flange OD: 3.000" (76.2mm)

Our V-Band style Turbo Inlet Flanges are precision CNC machined from solid 304 stainless steel billet, ensuring high durability and a precise fit. These flanges are compatible with a variety of turbine inlets and turbine outlets, making them versatile for different applications. For your convenience, a detailed compatibility list is provided below to help you determine the exact fit for your specific turbo setup.

Turbo Inlet Flange - Garrett GT30/GTX30, GT35/GTX35, G25-550 and G25-660 - 304 Stainless

Below, you will find a comprehensive list of both turbine inlet and turbine outlet compatibility to help you locate the ideal match for your application. These details are provided to ensure you have the precise specifications required for your setup.

NOTES

We have not tested these flanges with any other brand of turbo, even if it uses a derivative of a Garrett housing listed below. The provided dimensional drawing is intended to give you the necessary details to verify compatibility before making a purchase. If your turbo is not listed, we recommend taking detailed measurements of your existing turbo and comparing them with the provided dimensional drawing.

TURBO INLET COMPATIBILITY

  • All Garrett GT30 & GT35 Turbine Kits with V-Band Inlet
  • G25-550, G25-660
  • G30-660, G30-770, G30-900
  • G35-900, G35-1050
  • GTX2967R, GTX2971R
  • GTX3071R Gen.2, GTX3076R Gen.2
  • GTX3582R Gen.2, GTX3584RS

TURBO OUTLET COMPATIBILITY

  • All Garrett GT28 Turbine Kits with V-Band Outlet
  • GTX2860R Gen.2, GTX2867R Gen.2