Skip to content

Dimensional Drawing of Turbo Outlet Flange - Garrett GT30/GTX30, GT35/GTX35, GT37, GT40/GTX40 Divided Turbine - SKU 27170

Weld Side View

Weld Side View

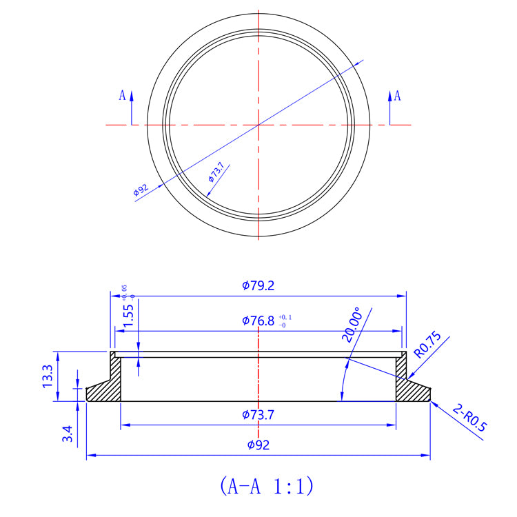
With a flange counterbore diameter of 3.023" (76.8mm) and an inside diameter of 2.901" (73.7mm), this flange is compatible with both nominal pipe size and tube size material This makes it versatile for various applications requiring different pipe or tube dimensions within its accepted range.

Mating Surface View

Mating Surface View

This flange is designed to mate with a variety of Garrett Divided Turbine housings that have an overall flange diameter of 3.627" (92.13mm) and a female retainer diameter of at least 3.031" (77mm). Ensuring that the overall flange outer diameter and the female/male retainer dimensions align is crucial for proper fitment. This compatibility is essential for achieving a secure and leak-free connection.

Dimensional Details

Dimensional Details

  • Flange ID: 2.901" (73.7mm)
  • Flange Counterbore ID (Weld Side): 3.023" (76.8mm)
  • Flange Apex Width: 0.133" (3.4mm)
  • Overall Flange OD: 3.622" (92mm)

Our V-Band style Turbo Outlet Flanges are precision CNC machined from solid 304 stainless steel billet, ensuring high durability and a precise fit. These flanges are compatible with a variety of turbine inlets and turbine outlets, making them versatile for different applications. For your convenience, a detailed compatibility list is provided below to help you determine the exact fit for your specific turbo setup.

Turbo Outlet Flange - Garrett GT30/GTX30, GT35/GTX35, GT37, GT40/GTX40 Divided Turbine - 304 Stainless - SKU 27170

Below, you will find a comprehensive list of both turbine inlet and turbine outlet compatibility to help you locate the ideal match for your application. These details are provided to ensure you have the precise specifications required for your setup.

NOTES

We have not tested these flanges with any other brand of turbo, even if it uses a derivative of a Garrett housing listed below. The provided dimensional drawing is intended to give you the necessary details to verify compatibility before making a purchase. If your turbo is not listed, we recommend taking detailed measurements of your existing turbo and comparing them with the provided dimensional drawing.

TURBO OUTLET COMPATIBILITY

  • GT30/GT35/GT37/GT40 (Divided Turbine models) with 92mm (3.622") Overall OD Flange
  • GTX30/GTX35/GTX40 (Divided Turbine models) with 92mm (3.622") Overall OD Flange