Skip to content

Dimensional Drawing of Turbo Inlet Flange - BorgWarner EFR6258, 6758, 7064, 7163, 7670, 8374, 9180 - SKU 27164

Weld Side View

Weld Side View

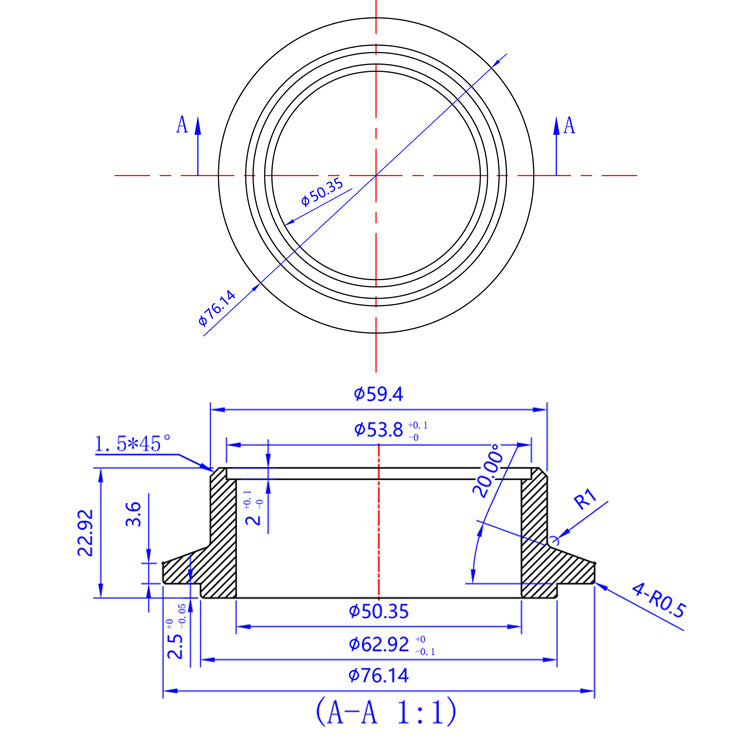
With a flange counterbore diameter of 2.118" (53.8mm) and an inside diameter of 1.982" (50.35mm), this flange is compatible with both nominal pipe size and tube size material This makes it versatile for various applications requiring different pipe or tube dimensions within its accepted range.

Mating Surface View

Mating Surface View

This flange is designed to mate with a BorgWarner turbine housing that has an overall flange diameter of 2.997" (76.14mm) and a female retainer diameter of at least 2.477" (62.92mm). Ensuring that the overall flange outer diameter and the female/male retainer dimensions align is crucial for proper fitment. This compatibility is essential for achieving a secure and leak-free connection.

Dimensional Details

Dimensional Details

  • Flange ID: 1.982" (50.35mm)
  • Flange Counterbore ID (Weld Side): 2.118" (53.8mm)
  • Flange Apex Width: 0.141" (3.6mm)
  • Male Retainer OD: 2.447"(62.92mm)
  • Overall Flange OD: 2.997" (76.14mm)

Our V-Band style Turbo Inlet Flanges are precision CNC machined from solid 304 stainless steel billet, ensuring high durability and a precise fit. These flanges are compatible with a variety of turbine inlets and turbine outlets, making them versatile for different applications. For your convenience, a detailed compatibility list is provided below to help you determine the exact fit for your specific turbo setup.

Turbo Inlet Flange - BorgWarner EFR6258, 6758, 7064, 7163, 7670, 8374, 9180 - 304 Stainless

Below, you will find a comprehensive list of both turbine inlet and turbine outlet compatibility to help you locate the ideal match for your application. These details are provided to ensure you have the precise specifications required for your setup.

NOTES

We have not tested these flanges with any other brand of turbo, even if it uses a derivative of a BorgWarner housing listed below. The provided dimensional drawing is intended to give you the necessary details to verify compatibility before making a purchase. If your turbo is not listed, we recommend taking detailed measurements of your existing turbo and comparing them with the provided dimensional drawing.

TURBO INLET COMPATIBILITY

  • BorgWarner EFR6258, 6758, 7064, 7163, 7670, 8374, 9180 with a 3" V-Band style Inlet