Skip to content

Dimensional Drawing of Turbo Compressor Flange - Garrett GT42, GT45/GTX45, GT47/GTX47, GTX50, GT55/GTX55 - SKU 27175

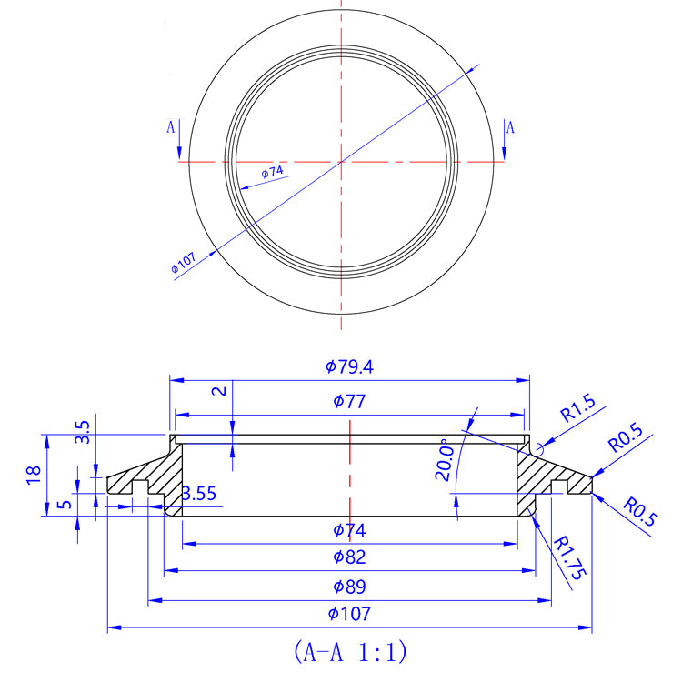
Mating Surface View

Mating Surface View

This flange is designed to mate with a variety of BorgWarner and Garrett compressor housings that have an overall flange diameter of 4.212" (107mm) and a female retainer ID of 3.228" (82mm). Ensuring that the overall flange outer diameter and the female/male retainer dimensions align is crucial for proper fitment. This compatibility is essential for achieving a secure and leak-free connection.

Turbo Compressor Flange - Garrett GT42, GT45/GTX45, GT47/GTX47, GTX50, GT55/GTX55 - 6061 Aluminum | ACE RACE PARTS

Dimensional Details

  • Flange ID: 2.913" (74mm)
  • Flange Counterbore ID (Weld Side): 3.031" (77mm)
  • Flange Apex Width: 0.137" (3.5mm)
  • Male Retainer OD: 3.228" (82mm)
  • Overall Flange OD: 4.212" (107mm)

Our V-Band style Turbo Compressor Flanges are precision CNC machined from solid 304 stainless steel billet, ensuring high durability and a precise fit. These flanges are compatible with a variety of turbine inlets and turbine outlets, making them versatile for different applications. For your convenience, a detailed compatibility list is provided below to help you determine the exact fit for your specific turbo setup.

Turbo Compressor Flange - Garrett GT42, GT45/GTX45, GT47/GTX47, GTX50, GT55/GTX55 - 6061 Aluminum - SKU 27175

Below, you will find a comprehensive list of compressor housing compatibility to help you locate the ideal match for your application. These details are provided to ensure you have the precise specifications required for your setup.

NOTES

We have not tested these flanges with any other brand of turbo, even if it uses a derivative of a BorgWarner or a Garrett housing listed below. The provided dimensional drawing is intended to give you the necessary details to verify compatibility before making a purchase. If your turbo is not listed, we recommend taking detailed measurements of your existing turbo and comparing them with the provided dimensional drawing.

COMPRESSOR OUTLET COMPATIBILITY

BorgWarner:
• BorgWarner S400 SX-E, SX, SX3 & SX4 Series / S500 SX-E & SX Series
Garrett Super Core Models:
• Garrett GT42, GT45/GTX45, GT47/GTX47, GTX50, GT55/GTX55